gsvster писал(а):Граюсь з програмуванням Arduino. Цікаво зв'язати його з радіостанцією. Поки що лише у варіанті експерименту. З програмуванням в мене все гаразд, а от хардверного досвіду досить мало, там в плані знайти на радіостанції десь на платі сигнал відкривання шумодава чи правильно подати аудіо-сигнал з компа на тангенту (чи на плату), чи інші дії, які емітують натискання кнопочок на радіостанції.
Не знущайся! Зі станцією розібратись простіше, ніж з тим клятим програмуванням!
gsvster писал(а):Перше що б цікаво було змайструвати, це ехо-репітер в звязці з комп'ютером (linux і програмування на python).
Так, звичайно, це можливо, як ти є програміст.
gsvster писал(а):Алгоритм наступний:
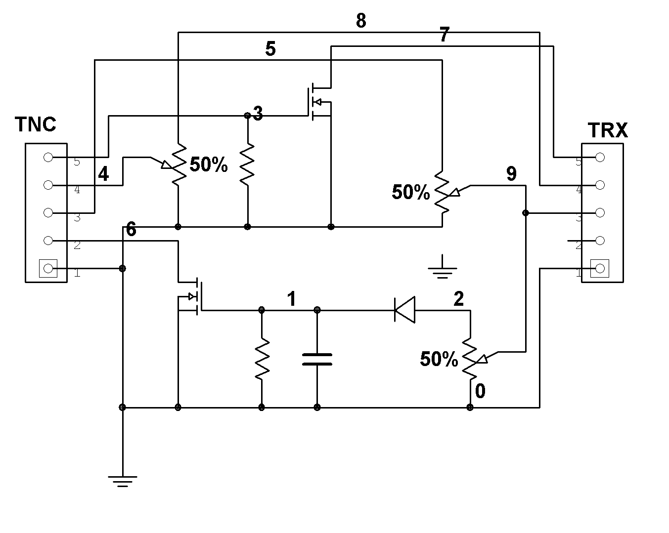
Приходить сигнал в радіостанцію, відкривається шумодав, по якомусь дротику радіостанції подає на один з сенсорів на Arduino логічну "1"
Такий сигнал можна знайти. Є й інший варіант - VOX. Сигнал постійно знімається з гучномовця; в умовно всіх станціях є вихід на зовнішній гучномовець - можна використати його. Як сигнал відсутній (нижчий за встановлений ліміт) - нічого не відбувається. Як сигнал з'являється (зростає) - починається його запис. Це можна зробити апаратно на декількох деталях, або програмно.
gsvster писал(а):ардуінка посилає в серійний порт (по USB в комп) сигнал, що треба взяти аудіосигнал (динамік радіостанції підключено на лінійний вхід компа) з лінійного входу і почати записувати поки є сигнал з ардуіни в аудіофайл (MP3 наприклад)
А сама Ардуіна може записувати аудіо за наявності відповідного шилду? Тобто навіщо ще один комп'ютер?
gsvster писал(а):Коли сигнал закінчився, зберегти файл, подати через серійний порт до ардуінки сигнал, що треба натиснути тангенту (на якусь ногу ардуіни подати логічну "1", а там треба через якусь розв"язку активувати реле чи іншим макаром, хто як порадить?) і програти останній записаний аудіофайл на динаміки, які в свою чергу підключені через до тангенти (можливо через якесь узгодження, каскад, я в цьому не сільон. щоб був сигнал такий як треба радіостанції).
Так, замість тангенти підключити аудіовихід та логічний вихід "передача". Аналоговий вихід узгодити тупо резистивним атенюатором, а логічній вихід має керувати ключиком на польовому транзисторі, що імітуватиме натискання PTT. Для цього не треба нічого робити в самій станції.
Реле також можна застосувати, якщо логічний вихід може бути навантажений на реле. Скоріш за все ні, треба буде додавати підсилювач постійного струму на транзисторі, тому навіщо ще реле, як той самий транзистор й буде перемикати приймання/передачу?
gsvster писал(а):Аудіофайлики можна зберігати і передавати кудись на веб-сервер, де можна мати окрему сторіночку з архівом розмов.
Це виключно програмна справа.
gsvster писал(а):Якщо би схема запрацювала, можна комп замінити окремими модулями ардуіни.
Скоріш за все так.
gsvster писал(а):І я щось думаю, що по ціні вийде дешевше ніж готовий ехо-репітер.
Готовий зроблено максимально економно, плюс на відносно великих партіях вартість розробки розмазується на велику кількість вироблених одиниць й не дуже впливає на роздрібну ціну. Тому може й не дешевше. Але що цікавіше - так то стопіцот відсотків.
gsvster писал(а):Є хтось, хто рубає в харваре частині?

Я не дуже.